
應用范圍與特點 ZFK制氮機廣泛應用于食品工業、包裝、儲藏保鮮、酒類封裝和保存以及醫藥、電子、煤礦、石油等行業。該設備具有運行成本低、結構簡單、占地面積小、安全、操作方便、回收率高等特點。 |
| 型號編制方法 |

技術參數 | ||||||||||||||||||||||||||||||||||||||||||||||||||||||||
| ||||||||||||||||||||||||||||||||||||||||||||||||||||||||
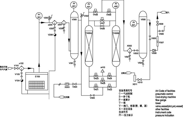
工作原理 本設備采用PSA變壓吸附原理,利用碳分子篩在壓力變化時具有分離空氣中氧氮的能力,以空氣為原料,將壓縮空氣經除油、干燥、過濾等凈化處理后,送入雙塔組成的吸附組件,壓縮空氣在一塔內經加壓吸附后產生氮氣,而另一塔在解吸再生,兩塔交替循環,即可不斷地得到純度為98–99.9995%的廉價氮氣。 工藝流程圖 | ||||||||||||||||||||||||||||||||||||||||||||||||||||||||

高郵市鑄鋒機械制造有限公司
聯系人:蔡先生
手 機:13805257618
電 話:0514-84683979,84681529
傳 真:0514-84681569
地 址:高郵市經濟開發區捷通路8號